

泰格輔機解決方案
優質產品推薦

LSF型反沖洗濾水器:?
? ? ? ? 泰格全自動反沖洗工業濾水器適用于電站、化工、印染、造紙等行業的給水管道。由于來自河流、湖泊和海洋的水源不同,水中有各種雜質,如工業廢料、漂浮的草、魚、蝦和蝸牛。有時,在進入供水系統的管道側,采用簡單的柵欄過濾,條件較好或用濾網進行處理,但處理后的水中仍有一些細小的雜質。當它們在供水系統中積累到一定程度而不被清除時,流動面積就會減小,造成堵塞,嚴重者就會停機,對安全運行造成極大的威脅。鑒于經濟、方便、維修等諸多因素,我公司設計的新型反沖式工業水過濾器系列產品,能夠滿足用戶的要求,解決上述問題。
1、濾水器主要技術參數
? ? (1)、工作壓力≤0.6MPa
? ? (2)、濾網孔徑φ3~φ8mm
? ? (3)、額定流量下的阻力≤0.05MPa
2、濾水器結構與使用說明:
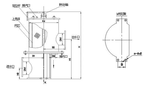
? ? (1)、本系列濾水器由①轉動軸、②定位桿、③支架殼體、④網芯、⑤進水口、⑥出水口、⑦排污口組成(見圖)。一般水質為淡水型的,濾網和內部主要部件為普通不銹鋼材質,若為海水或具有強酸堿型的,則采用特殊不銹鋼材質。
? ? (2)、濾水器入管道系統后,水就會從進水口進入濾水器,過濾后的水從出水口流出,當水雜質能過網芯時,由于體積大于網芯孔,而被截留在網芯上,當聚集到一定數量時,即造成進、出水口之間有一定壓力差,這時,可轉動網芯進行輪次自動反沖洗,雜質就會從排污口自行排出,如此往復循環,用戶可根據水中雜質多少、而定時、定期自動反沖排污。
? ?(3) 、濾水器安裝在電站、化工、印染、造紙等多種行業的DN500以下供用水管邊上屬于替代二次濾網的小型濾水器,可任意選定粘度,具有體積小,造價低,過濾流量大等諸多優點;特別適用于母管制供用水的分支管道上,從而具有二次濾網所不及的優點。一般情況下,不須增加動力源,只需采用手動,手柄按產品所標定的位置依次轉動,濾水器內部的幾個過濾室即可逐一清洗,從而達到自動反沖?
? ? (4) 、濾水器型號說明:
(5)、LSF型選型表:


二、LSG型管道直連式濾水器:
1、泰格系列濾水器結構類型過濾面積2.5流通面積的3倍,含有很多小孔的環不銹鋼板,雙層結構的主回路,回流循環為單層結構,可以實現非常高的強度,都是不銹鋼做的,結構合理,性能可靠,耐用,其過濾器更換也很方便。訂貨時,注明是一次回路還是旁路(即反沖洗)。反沖洗全自動反沖洗濾水器應用在電站、化工、印染、造紙等行業供用水管道上,由于從江河、湖海中取水的來源不同,所以在水中存在著多種多樣的雜質,如工業廢棄物、浮草、魚蝦、田螺等。有時,在進入供用水系統的管邊前,都采用簡單的柵欄過濾,條件比較好的或用一次濾網進行處理,但處理后的水中仍存在著一些體積較小的雜質。當它們在供用水系統中聚積到一定程度而不清除時,將導致通流面積減小,較終產生堵塞,嚴重時造成停機,對安全運行構成極大威脅。鑒于經濟、方便、維修等諸多因素,我公司設計的新型反沖式全自動反沖洗濾水器系列產品,可滿足用戶要求,徹底解決上述問題.
??? 1、濾水器主要技術參數
??? (1)、工作壓力≤0.6MPa
??? (2)、濾網孔徑φ3~φ8mm
??? (3)、額定流量下的阻力≤0.05MPa
??? 2、濾水器結構與使用說明:
??? (1)、本系列濾水器由①轉動軸、②定位桿、③支架殼體、④網芯、⑤進水口、⑥出水口、⑦排污口組成(見圖)。一般水質為淡水型的,濾網和內部主要部件為普通不銹鋼材質,若為海水或具有強酸堿型的,則采用特殊不銹鋼材質。
??? (2)、濾水器入管道系統后,水就會從進水口進入濾水器,過濾后的水從出水口流出,當水雜質能過網芯時,由于體積大于網芯孔,而被截留在網芯上,當聚集到一定數量時,即造成進、出水口之間有一定壓力差,這時,可轉動網芯進行輪次自動反沖洗,雜質就會從排污口自行排出,如此往復循環,用戶可根據水中雜質多少、而定時、定期自動反沖排污。
??
2、型號說明:
? ? (1)公稱通經DN25、40、50、65、80、100、125? ? ? ? ? ? ? ? ? ? ??
? ? (2)公稱壓力PN≤1.6MPa
? ? (3)適用介質:水、油等? ?
?? ??
3、選型表:LSG-P型號

三、LSD型直通式濾水器:
? ? 1、用途:
? ? LSD型直通式濾水器適用于凝結泵、給水泵工業水泵,閉式水泵系統介質過濾之用,也可以作為管邊濾網之用,對管邊中的機械雜物,懸浮物等起過濾作用,并能根據壓差大小對濾網清洗,保持濾網清潔,該型泵進口濾網的通流倍率較大

? ? 2、主要技術參數:
? ? (1)設計壓力0.4MPa、0.6MPa
? ? (2)濾網孔徑φ3~φ8mm
? ? (3)水阻≤0.05MPa
? ? (4)通流倍率4.5倍
? ? ?3、選型表:

四、LSZ型立式自動濾水器:
? ? ?LSZ型立式自動清洗濾水器能對水中雜草、塑料薄膜、紙布屑、懸浮物等進行過濾作用,并能根據各地水質情況對濾網實行自動地連續或間斷清洗,保持網面經常清潔,正是目前我國先進的水過濾設備之一,適用于各種水過濾場合.

1、主要技術參數
? ? (1)工作壓力~0.6MPa
? ? (2)濾網孔徑φ3~8mm
? ? (3)額定流量下的阻力≤0.05MPa
2、? 結構說明
? ? (1)傳動機構采用雙級擺線針輪減速機,濾水器轉動靈活,控制系統采用PLD程控,對濾水器實行自動程序或間歇性反沖洗。
? ? (2)濾網網芯底部與支板上密封由原來的橡膠皮改為硬密封,能做到>2mm的雜物不從底部流到出口端,確保濾網的過濾能力。
? ? (3)考慮到某些條件下水中含沙量大,上承軸座采用雙重密封式,水側為防泥沙密封,采用2道骨架密封圈,防止泥沙進入軸套磨損轉軸,外側采用4道填料式密封。
? ? (4)軸座, 處試設, 防溢流管, ,做到無泄漏,文明生產。
? ? (5)上、下軸套均為可, 拆, 卸式,無需進行筒體解體即可方便更換。
3、選型表:

?(5)、LSF型選型表:
型號規格 |
DN1 |
DN2 |
ф d |
n- ф d1 |
B1 |
B2 |
H0 |
H1 |
H2 |
L |
B |
LSF-100 |
100 |
25 |
219 |
4- ф 20 |
200 |
200 |
808 |
300 |
120 |
360 |
60 |
LSF-200 |
200 |
100 |
530 |
4- ф 30 |
500 |
500 |
1310 |
782 |
165 |
740 |
180 |
LSF-300 |
300 |
100 |
700 |
4- ф 30 |
590 |
590 |
1460 |
910 |
260 |
950 |
200 |
LSF-400 |
400 |
150 |
920 |
4- ф 44 |
655 |
655 |
1733 |
1115 |
300 |
1060 |
200 |
LSF-500 |
500 |
150 |
1020 |
4- ф 44 |
705 |
705 |
2000 |
1290 |
350 |
1160 |
200 |

二、LSG型管道直連式濾水器:
1、泰格系列濾水器結構類型過濾面積2.5流通面積的3倍,含有很多小孔的環不銹鋼板,雙層結構的主回路,回流循環為單層結構,可以實現非常高的強度,都是不銹鋼做的,結構合理,性能可靠,耐用,其過濾器更換也很方便。訂貨時,注明是一次回路還是旁路(即反沖洗)。
??
2、型號說明:
? ? (1)公稱通經DN25、40、50、65、80、100、125? ? ? ? ? ? ? ? ? ? ??
? ? (2)公稱壓力PN≤1.6MPa
? ? (3)適用介質:水、油等? ?



本站圖片均為我廠現場照片,嚴禁他人利用網絡盜用-訂購除氧器請認準連云港泰格電力老品牌




泰格輔機 產 品 優勢
|
|
![]() |
|
||
|
|
![]() |
|
||
|
|
![]() |
|
熱點資訊